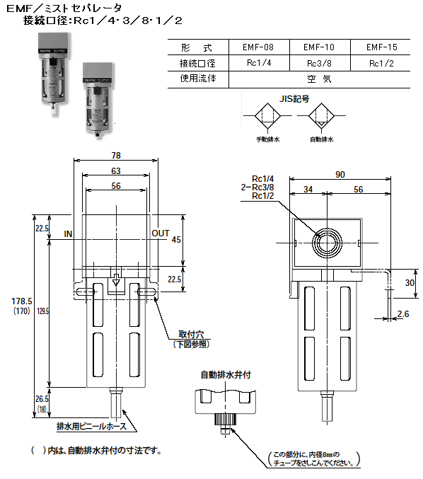
ŠOŒ`¡–@}@ƒ~ƒXƒgƒZƒpƒŒ[ƒ^ ’PˆÊFmm
‚r‚l‚e
Rc1/4E3/8E1/2
‚d‚l‚e
Rc1/4E3/8E1/2
‚l‚l‚e
Rc1/2E3/4
‚g‚l‚e
Rc3/4E1

Copyright(c)1997 TAIYO,LTD. All rights reserved.