ŠOŒ`¡–@}^ƒVƒ‡ƒbƒNƒAƒuƒ\[ƒo^’²®Ž®
’PˆÊFmm
A2M12
A2M14
A2M16
AS¦-03
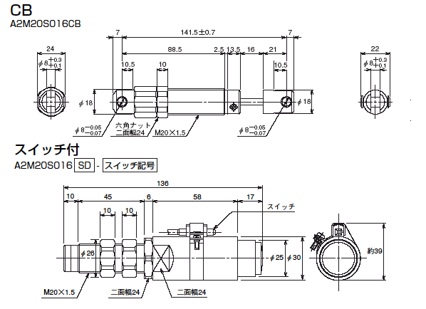
A2M20
A2M27
A2M36
Copyright(c)1997-2005 TAIYO,LTD. All rights reserved.