ŠOŒ`¡–@}^ƒVƒ‹ƒL[ƒ`ƒƒƒbƒNiŽx“_‹ì“®Œ`j@u‚r‚u‚QƒVƒŠ[ƒYv ’PˆÊFmm
@•¡“®Œ` ‚r‚u‚Q-‚c‚O‚Q
ŽÀŒø”cŽ—Í 18.6N
‚r‚u‚Q-‚c‚O‚U
ŽÀŒø”cŽ—Í 48.1N
‚r‚u‚Q-‚c‚P‚Q
ŽÀŒø”cŽ—Í 92.2N
.‚r‚g‚`-‚c‚Q‚O
ŽÀŒø”cŽ—Í 191.2N
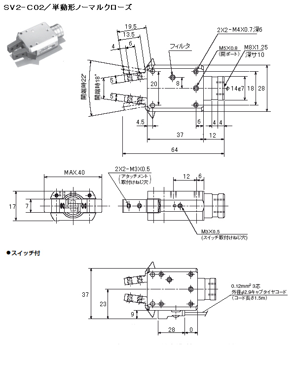
@’P“®Œ`ƒm[ƒ}ƒ‹ƒNƒ[ƒY ‚r‚u‚Q-‚b‚O‚Q
ŽÀŒø”cŽ—Í 19.6N
‚r‚u‚Q-‚b‚O‚U
ŽÀŒø”cŽ—Í 55.9N
‚r‚u‚Q-‚b‚P‚Q
ŽÀŒø”cŽ—Í 113.8N
.‚r‚u‚Q-‚b‚Q‚O
ŽÀŒø”cŽ—Í 215.7N
@’P“®Œ`ƒm[ƒ}ƒ‹ƒI[ƒvƒ“ .‚r‚u‚Q-‚o‚O‚Q
ŽÀŒø”cŽ—Í 14.7N
.‚r‚u‚Q-‚o‚O‚U
ŽÀŒø”cŽ—Í 41.2N
.‚r‚u‚Q-‚o‚P‚Q
ŽÀŒø”cŽ—Í 82.4N
..‚r‚u‚Q-‚o‚Q‚O
ŽÀŒø”cŽ—Í 179.5N

ƒy[ƒWƒgƒbƒv‚Ö
Copyright(c)1997-2005 TAIYO,LTD. All rights reserved.