油圧/空気圧機器・システム装置までフルラインナップで
お客様のニーズに応えて展開する唯一の総合メ−カ−
シリーズ
カタログ
−
取扱説明書
問い合わせ
BACK
印 刷
詳細については、カタログをダウンロードしてください。
エアオイルユニット 「AHU2−063」
■形式記号
@
A
B
C
D
E
F
G
エアオイルユニット
AHU2−063
−
001
−
F
D
A
1
2
−
C
1
@
F
G
コンバータのみ
AHU2−063
−
001
−
C
1
注)スイッチ不要の場合は、スイッチ記号F、スイッチ数量Gは省略して手配してください。
@
コンバート容量
001
:0.16
002
:0.25
004
:0.4
006
:0.63
010
:1
016
:1.6
A
制御弁
F
:フローコントロールバルブ付
S
:スロットルバルブ付
O
:制御弁なし
B
複合弁
D
:スキップ弁/ストップ弁付
K
:スキップ弁付
T
:ストップ弁付
N
:複合弁なし
C
複合弁の組合せ
記号
スキップ弁
ストップ弁
A
NC
NC
C
NO
NC
D
NC
NO
O
−
−
D
制御弁の制御方法
0
:メータアウト制御
1
:メータイン制御
E
ソレノイド電圧
1
:AC100V 50/60Hz
2
:AC200V 50/60Hz
8
:DC24V
F
スイッチ記号
C
:ZR3(ランプ付)1.5m
G
スイッチ数量
1
:1個
2
:2個
3
:3個
4
:4個
■仕 様
機 種
フローコントロール
バルブ付
スロットルバルブ付
コンバータ部
使用圧力
範囲
メイン圧力
0.2〜1MPa
0.05〜1MPa
0〜1MPa
パイロット圧力
0.3Xメイン圧力+0.25MPa以上0.7MPa以下
耐圧力
1.5MPa
使用流体
一般鉱物性作動油(10X10
-6
〜100X10
-6
m
2
/s)
流体及び周囲温度
-5〜+50℃(但し、凍結なきこと)
注1)限界流量
40
/min
注2)最少制御流量
0.06
/min
0.1
/min
−
圧力補償能力
負荷60%以下の変動で
流量変化が±10%以下
−
−
取付方向
鉛直方向
注1)コンバータ油面速度200mm/sの時の流量。これ以上の流量で使用されると制御性が著しく
損なわれます。
注2)作動油の粘度100X10
-6
m
2
/sの場合です。
■
機種概要
「組合せ記号」をクリックすると価格・納期が参照できます。
制御弁
フローコントロールバルブ付(圧力補償付)
複合弁
スキップ弁/
ストップ弁付
スキップ弁付
ストップ弁付
−
組合せ記号
FDA
FDC
FDD
FKA
FKC
FTA
FTD
FNO
スキップ弁
NC
○
−
○
○
−
−
−
−
NO
−
○
−
−
○
−
−
−
ストップ弁
NC
○
○
−
−
−
○
−
−
NO
−
−
○
−
−
−
○
−
用 途
・中間停止
・インチング送り
・二段速度切換
(早送り・遅送り)
・非常停止
・二段速度切換
(早送り・遅送り)
・中間停止
・インチング送り
・非常停止
・速度制御
外 観
JIS記号
制御弁
スロットルバルブ付
複合弁
スキップ弁/
ストップ弁付
スキップ弁付
ストップ弁付
−
組合せ記号
SDA
SDC
SDD
SKA
SKC
STA
STD
SNO
スキップ弁
NC
○
−
○
○
−
−
−
−
NO
−
○
−
−
○
−
−
−
ストップ弁
NC
○
○
−
−
−
○
−
−
NO
−
−
○
−
−
−
○
−
用 途
・中間停止
・インチング送り
・二段速度切換
(早送り・遅送り)
・非常停止
・二段速度切換
(早送り・遅送り)
・中間停止
・インチング送り
・非常停止
・速度制御
外 観
JIS記号
制御弁
コンバータ
複合弁
ストップ弁付
コンバータ
組合せ記号
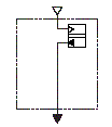
OTA
AHU2-063-※
スキップ弁
NC
○
○
NO
−
−
ストップ弁
NC
○
−
NO
−
−
用 途
・中間停止
・インチング送り
・非常停止
−
外 観
JIS記号
Copyright(c)1997 TAIYO,LTD.
All rights reserved.